Parámetros técnicos de la bomba de engranajes externos del Grupo 2
| Desplazamiento | Presión absoluta de succión | Presión continua máx. | Presión continua máx. | Presión intermitente máx. | Velocidad min. | Velocidad máx. | Eficiencia volumétrica |
| V | Pe | P1 | P2 | P3 | nmin | nmáx | ηv |
| cm³/rev | bar | r/min | % |
| 3 | 0.7...3 | 270 | 285 | 300 | 800 | 4000 | ≥91 |
| 4 | 600 |
| 6 |
| 8 | 500 | 3500 |
| 10 | ≥92 |
| 12 |
| 14 | 250 | 265 | 280 | 3200 |
| 16 |
| 18 | 400 | ≥93 |
| 20 | 220 | 235 | 250 |
| 22 | 3000 |
| 25 | 200 | 215 | 230 | ≥95 |
| 28 | 180 | 190 | 200 | 2500 |
| 30 | 160 | 170 | 180 |
Normas del pedido de la bomba de engranajes externos del Grupo 2
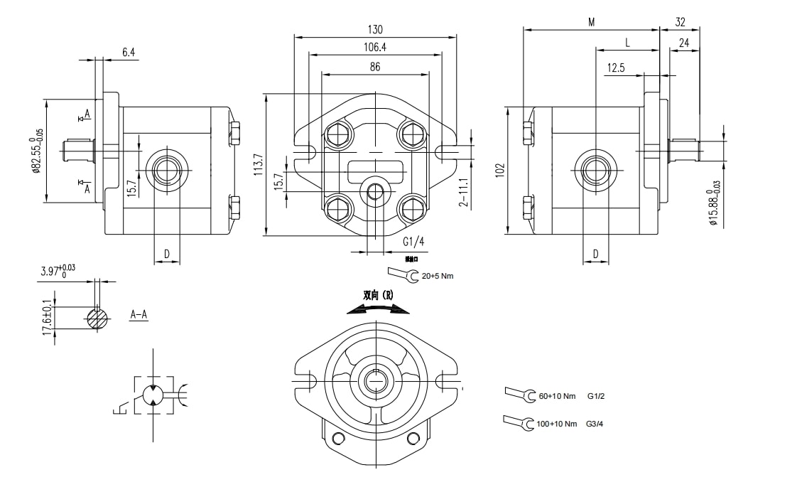
Dimensiones estándar de las bombas de engranajes externos del Grupo 2
Solicite información
| Desplazamiento | Presión máx. | Velocidad máx. | Velocidad min. | Peso | Dimensions | Código del puerto de aceite | Entrada | Salida |
| P1 | P2 | P3 | M | L | | D | d |
| (cm³/rev.) | bar | bar | bar | (r/min) | (r/min) | Kg | mm | mm | | | |
| 3 | 270 | 285 | 300 | 4000 | 800 | 3.35 | 91.1 | 43.6 | U0 | 1/16-12UNF | 7/8-14UNF |
| 4 | 270 | 285 | 300 | 4000 | 600 | 3.4 | 92.7 | 44.4 | U0 | 1/16-12UNF | 7/8-14UNF |
| 6 | 270 | 285 | 300 | 4000 | 600 | 3.5 | 96 | 46 | U0 | 1/16-12UN F | 7/8-14UNF |
| 8 | 270 | 285 | 300 | 3500 | 500 | 3.6 | 99.3 | 47.7 | U0 | 1/16-12UNF | 7/8-14UNF |
| 10 | 270 | 285 | 300 | 3500 | 500 | 3.7 | 102.6 | 49.3 | U0 | 1/16-12UNF | 7/8-14UNF |
| 12 | 270 | 285 | 300 | 3500 | 500 | 3.8 | 105.9 | 51 | U0 | 1/16-12UNF | 7/8-14UNF |
| 14 | 250 | 265 | 280 | 3500 | 500 | 3.9 | 109.3 | 52.7 | U0 | 1/16-12UNF | 7/8-14UNF |
| 16 | 250 | 265 | 280 | 3500 | 500 | 4 | 112.7 | 54.4 | U0 | 1/16-12UNF | 7/8-14UNF |
| 18 | 250 | 265 | 280 | 3200 | 400 | 4.1 | 116 | 56 | U0 | 11/16-12UNF | 7/8-14UNF |
| 20 | 220 | 235 | 250 | 3200 | 400 | 4.2 | 119.3 | 57.7 | U0 | 1/16-12UNF | 7/8-14UNF |
| 22 | 220 | 235 | 250 | 3000 | 400 | 4.3 | 122.6 | 59.3 | U0 | 1 1/16-12UNF | 7/8-14UNF |
| 25 | 200 | 215 | 230 | 3000 | 400 | 4.45 | 127.6 | 61.8 | U0 | 1/16-12UNF | 7/8-14UNF |
| 28 | 180 | 190 | 200 | 2500 | 400 | 4.6 | 132.6 | 64.3 | U0 | 1 1/16-12UNF | 7/8-14UNF |
| 30 | 160 | 170 | 180 | 2500 | 400 | 4.7 | 135.9 | 66 | U1 | 5/16-12UNF | 7/8-14UNF |
Solicite información
| Desplazamiento | Presión máx. | Velocidad máx. | Velocidad min. | Peso | Dimensions | Código del puerto de aceite | Entrada | Salida |
| P1 | P2 | P3 | B | D | H | b | d | h |
| (cm³/rev.) | bar | bar | bar | (r/min) | (r/min) | Kg | mm | | mm | mm | | mm | mm | |
| 3 | 270 | 285 | 300 | 4000 | 800 | 3.35 | 91.1 | 43.6 | E0 | 30 | 13 | M6 | 30 | 13 | M6 |
| 4 | 270 | 285 | 300 | 4000 | 600 | 3.4 | 92.7 | 44.4 | E0 | 30 | 13 | M6 | 30 | 13 | M6 |
| 6 | 270 | 285 | 300 | 4000 | 600 | 3.5 | 96 | 46 | E0 | 30 | 13 | M6 | 30 | 13 | M6 |
| 8 | 270 | 285 | 300 | 3500 | 500 | 3.6 | 99.3 | 47.7 | E0 | 30 | 13 | M6 | 30 | 13 | M6 |
| 10 | 270 | 285 | 300 | 3500 | 500 | 3.7 | 2.6 | 49.3 | E1 | 40 | 20 | M8 | 30 | 13 | M6 |
| 12 | 270 | 285 | 300 | 3500 | 500 | 3.8 | 105.9 | 51 | E1 | 40 | 20 | M8 | 30 | 13 | M6 |
| 14 | 250 | 265 | 280 | 3500 | 500 | 3.9 | 9.3 | 52.7 | E1 | 40 | 20 | M8 | 30 | 13 | M6 |
| 16 | 250 | 265 | 280 | 3500 | 500 | 4 | 12.7 | 54.4 | E1 | 40 | 20 | M8 | 30 | 13 | M6 |
| 18 | 250 | 265 | 280 | 3200 | 400 | 4.1 | 116 | 56 | E1 | 40 | 20 | M8 | 30 | 13 | M6 |
| 20 | 220 | 235 | 250 | 3200 | 400 | 4.2 | 19.3 | 57.7 | E1 | 40 | 20 | M8 | 30 | 13 | M6 |
| 22 | 220 | 235 | 250 | 3000 | 400 | 4.3 | 122.6 | 59.3 | E1 | 40 | 20 | M8 | 30 | 13 | M6 |
| 25 | 200 | 215 | 230 | 3000 | 400 | 4.45 | 127.6 | 61.8 | E2 | 40 | 22 | M8 | 30 | 13 | M6 |
| 28 | 180 | 190 | 200 | 2500 | 400 | 4.6 | 132.6 | 64.3 | E2 | 40 | 22 | M8 | 30 | 13 | M6 |
| 30 | 160 | 170 | 180 | 2500 | 400 | 4.7 | 135.9 | 66 | E2 | 40 | 22 | M8 | 30 | 13 | M6 |
Solicite información
| Desplazamiento | Presión máx. | Velocidad máx. | Velocidad min. | Peso | Dimensions | Código del puerto de aceite | Entrada | Salida |
| P1 | P2 | P3 | M | L | D | d |
| (cm³/rev.) | bar | bar | bar | (r/min) | (r/min) | Kg | mm | mm | | | |
| 3 | 270 | 285 | 300 | 4000 | 800 | 3.35 | 91.1 | 43.6 | Z0 | M14X1.5 | M14X1.5 |
| 4 | 270 | 285 | 300 | 4000 | 600 | 3.4 | 92.7 | 44.4 | Z0 | M14X1.5 | M14X1.5 |
| 6 | 270 | 285 | 300 | 4000 | 600 | 3.5 | 96 | 46 | Z1 | M20X1.5 | M18X1.5 |
| 8 | 270 | 285 | 300 | 3500 | 500 | 3.6 | 99.3 | 47.7 | Z1 | M20X1.5 | M18X1.5 |
| 10 | 270 | 285 | 300 | 3500 | 500 | 3.7 | 102.6 | 49.3 | Z1 | M20X1.5 | M18X1.5 |
| 12 | 270 | 285 | 300 | 3500 | 500 | 3.8 | 105.9 | 51 | Z1 | M20X1.5 | M18X1.5 |
| 14 | 250 | 265 | 280 | 3500 | 500 | 3.9 | 109.3 | 52.7 | Z1 | M20X1.5 | M18X1.5 |
| 16 | 250 | 265 | 280 | 3500 | 500 | 4 | 112.7 | 54.4 | Z1 | M20X1.5 | M18X1.5 |
| 18 | 250 | 265 | 280 | 3200 | 400 | 4.1 | 116 | 56 | Z1 | M20X1.5 | M18X1.5 |
| 20 | 220 | 235 | 250 | 3200 | 400 | 4.2 | 119.3 | 57.7 | Z3 | M24X1.5 | M22X1.5 |
| 22 | 220 | 235 | 250 | 3000 | 400 | 4.3 | 122.6 | 59.3 | Z3 | M24X1.5 | M22X1.5 |
| 25 | 200 | 215 | 230 | 3000 | 400 | 4.45 | 127.6 | 61.8 | Z3 | M24X1.5 | M22X1.5 |
| 28 | 180 | 190 | 200 | 2500 | 400 | 4.6 | 132.6 | 64.3 | Z3 | M24X1.5 | M22X1.5 |
| 30 | 160 | 170 | 180 | 2500 | 400 | 4.7 | 135.9 | 66 | Z3 | M24X1.5 | M22X1.5 |
Solicite información
| Desplazamiento | Presión máx. | Velocidad máx. | Velocidad min. | Peso | Dimensions | Código del puerto de aceite | Entrada |
| P1 | P2 | P3 | M | L | D |
| (cm³/rev.) | bar | bar | bar | (r/min) | (r/min) | Kg | mm | mm | | mm |
| 3 | 270 | 285 | 300 | 4000 | 800 | 3.35 | 91.1 | 39.9 | F0 | 15 |
| 4 | 270 | 285 | 300 | 4000 | 600 | 3.4 | 92.7 | 39.9 | F0 | 15 |
| 6 | 270 | 285 | 300 | 4000 | 600 | 3.5 | 96 | 41.1 | F0 | 15 |
| 8 | 270 | 285 | 300 | 3500 | 500 | 3.6 | 99.3 | 43.2 | F0 | 15 |
| 10 | 270 | 285 | 300 | 3500 | 500 | 3.7 | 102.6 | 43.7 | F1 | 20 |
| 12 | 270 | 285 | 300 | 3500 | 500 | 3.8 | 105.9 | 47.5 | F1 | 20 |
| 14 | 250 | 265 | 280 | 3500 | 500 | 3.9 | 109.3 | 47.5 | F1 | 20 |
| 16 | 250 | 265 | 280 | 3500 | 500 | 4 | 112.7 | 47.5 | F1 | 20 |
| 18 | 250 | 265 | 280 | 3200 | 400 | 4.1 | 116 | 47.5 | F1 | 20 |
| 20 | 220 | 235 | 250 | 3200 | 400 | 4.2 | 119.3 | 47.5 | F1 | 20 |
| 22 | 220 | 235 | 250 | 3000 | 400 | 4.3 | 122.6 | 55.1 | F1 | 20 |
| 25 | 200 | 215 | 230 | 3000 | 400 | 4.45 | 127.6 | 61.8 | F1 | 20 |
| 28 | 180 | 190 | 200 | 2500 | 400 | 4.6 | 132.6 | 64.3 | F1 | 20 |
| 30 | 160 | 170 | 180 | 2500 | 400 | 4.7 | 135.9 | 66 | F1 | 20 |
Solicite información
| Desplazamiento | Presión máx. | Velocidad máx. | Velocidad min. | Peso | Dimensions | Código del puerto de aceite | Entrada |
| P1 | P2 | P3 | M | L | D |
| (cm³/rev.) | bar | bar | bar | (r/min) | (r/min) | Kg | mm | mm | | mm |
| 3 | 270 | 285 | 300 | 4000 | 800 | 3.35 | 88.6 | 37.4 | F0 | 15 |
| 4 | 270 | 285 | 300 | 4000 | 600 | 3.4 | 90.2 | 37.4 | F0 | 15 |
| 6 | 270 | 285 | 300 | 4000 | 600 | 3.5 | 93.5 | 38.6 | F0 | 15 |
| 8 | 270 | 285 | 300 | 3500 | 500 | 3.6 | 96.8 | 40.7 | F0 | 15 |
| 10 | 270 | 285 | 300 | 3500 | 500 | 3.7 | 100.1 | 41.2 | F1 | 20 |
| 12 | 270 | 285 | 300 | 3500 | 500 | 3.8 | 103.4 | 45 | F1 | 20 |
| 14 | 250 | 265 | 280 | 3500 | 500 | 3.9 | 106.8 | 45 | F1 | 20 |
| 16 | 250 | 265 | 280 | 3500 | 500 | 4 | 110.2 | 45 | F1 | 20 |
| 18 | 250 | 265 | 280 | 3200 | 400 | 4.1 | 113.5 | 45 | F1 | 20 |
| 20 | 220 | 235 | 250 | 3200 | 400 | 4.2 | 116.8 | 45 | F1 | 20 |
| 22 | 220 | 235 | 250 | 3000 | 400 | 4.3 | 120.1 | 52.6 | F1 | 20 |
Solicite información
| Desplazamiento | Presión máx. | Velocidad máx. | Velocidad min. | Peso | Dimensions | Código del puerto de aceite | Entrada |
| P1 | P2 | P3 | M | L | D |
| (cm³/rev.) | bar | bar | bar | (r/min) | (r/min) | Kg | mm | mm | | mm |
| 3 | 270 | 285 | 300 | 4000 | 800 | 3.35 | 88.6 | 37.4 | F0 | 15 |
| 4 | 270 | 285 | 300 | 4000 | 600 | 3.4 | 90.2 | 37.4 | F0 | 15 |
| 6 | 270 | 285 | 300 | 4000 | 600 | 3.5 | 93.5 | 38.6 | F0 | 15 |
| 8 | 270 | 285 | 300 | 3500 | 500 | 3.6 | 96.8 | 40.7 | F0 | 15 |
| 10 | 270 | 285 | 300 | 3500 | 500 | 3.7 | 100.1 | 41.2 | F1 | 20 |
| 12 | 270 | 285 | 300 | 3500 | 500 | 3.8 | 103.4 | 45 | F1 | 20 |
| 14 | 250 | 265 | 280 | 3500 | 500 | 3.9 | 106.8 | 45 | F1 | 20 |
| 16 | 250 | 265 | 280 | 3500 | 500 | 4 | 110.2 | 45 | F1 | 20 |
| 18 | 250 | 265 | 280 | 3200 | 400 | 4.1 | 113.5 | 45 | F1 | 20 |
| 20 | 220 | 235 | 250 | 3200 | 400 | 4.2 | 116.8 | 45 | F1 | 20 |
| 22 | 220 | 235 | 250 | 3000 | 400 | 4.3 | 120.1 | 52.6 | F1 | 20 |
| 25 | 200 | 215 | 230 | 3000 | 400 | 4.45 | 125.1 | 59.3 | F1 | 20 |
| 28 | 180 | 190 | 200 | 2500 | 400 | 4.6 | 130.1 | 61.8 | F1 | 20 |
| 30 | 160 | 170 | 180 | 2500 | 400 | 4.7 | 133.4 | 63.5 | F1 | 20 |
Solicite información
| Desplazamiento | Presión máx. | Velocidad máx. | Velocidad min. | Peso | Dimensions | Código del puerto de aceite | Entrada |
| P1 | P2 | P3 | M | L | D |
| (cm³/rev.) | bar | bar | bar | (r/min) | (r/min) | Kg | mm | mm | | mm |
| 3 | 270 | 285 | 300 | 4000 | 800 | 3.35 | 88.6 | 37.4 | F0 | 15 |
| 4 | 270 | 285 | 300 | 4000 | 600 | 3.4 | 90.2 | 37.4 | F0 | 15 |
| 6 | 270 | 285 | 300 | 4000 | 600 | 3.5 | 93.5 | 38.6 | F0 | 15 |
| 8 | 270 | 285 | 300 | 3500 | 500 | 3.6 | 96.8 | 40.7 | F0 | 15 |
| 10 | 270 | 285 | 300 | 3500 | 500 | 3.7 | 100.1 | 41.2 | F1 | 20 |
| 12 | 270 | 285 | 300 | 3500 | 500 | 3.8 | 103.4 | 45 | F1 | 20 |
| 14 | 250 | 265 | 280 | 3500 | 500 | 3.9 | 106.8 | 45 | F1 | 20 |
| 16 | 250 | 265 | 280 | 3500 | 500 | 4 | 110.2 | 45 | F1 | 20 |
| 18 | 250 | 265 | 280 | 3200 | 400 | 4.1 | 113.5 | 45 | F1 | 20 |
| 20 | 220 | 235 | 250 | 3200 | 400 | 4.2 | 116.8 | 45 | F1 | 20 |
| 22 | 220 | 235 | 250 | 3000 | 400 | 4.3 | 120.1 | 52.6 | F1 | 20 |
| 25 | 200 | 215 | 230 | 3000 | 400 | 4.45 | 125.1 | 59.3 | F1 | 20 |
| 28 | 180 | 190 | 200 | 2500 | 400 | 4.6 | 130.1 | 61.8 | F1 | 20 |
| 30 | 160 | 170 | 180 | 2500 | 400 | 4.7 | 133.4 | 63.5 | F1 | 20 |
Solicite información
| Desplazamiento | Presión máx. | Velocidad máx. | Velocidad min. | Peso | Dimensions | Código del puerto de aceite | Entrada | Salida |
| P1 | P2 | P3 | M | D | d |
| (cm³/rev.) | bar | bar | bar | (r/min) | (r/min) | Kg | mm | | | |
| 3 | 270 | 285 | 300 | 4000 | 800 | 3.4 | 103.1 | U0 | 1/16-12UNF | 7/8-14UNF |
| 4 | 270 | 285 | 300 | 4000 | 600 | 3.45 | 104.7 | U0 | 1/16-12UNF | 7/8-14UNF |
| 6 | 270 | 285 | 300 | 4000 | 600 | 3.55 | 108 | U0 | 1/16-12UNF | 7/8-14UNF |
| 8 | 270 | 285 | 300 | 3500 | 500 | 3.65 | 111.3 | U0 | 1/16-12UNF | 7/8-14UNF |
| 10 | 270 | 285 | 300 | 3500 | 500 | 3.75 | 114.6 | U0 | 1/16-12UNF | 7/8-14UNF |
| 12 | 270 | 285 | 300 | 3500 | 500 | 3.85 | 117.9 | U0 | 1/16-12UNF | 7/8-14UNF |
| 14 | 250 | 265 | 280 | 3500 | 500 | 3.95 | 121.3 | U0 | 1/16-12UNF | 7/8-14UNF |
| 16 | 250 | 265 | 280 | 3500 | 500 | 4.05 | 124.7 | U0 | 1/16-12UNF | 7/8-14UNF |
| 18 | 250 | 265 | 280 | 3200 | 400 | 4.15 | 128 | U0 | 1/16-12UNF | 7/8-14UNF |
| 20 | 220 | 235 | 250 | 3200 | 400 | 4.25 | 131.3 | U0 | 1/16-12UNF | 7/8-14UNF |
| 22 | 220 | 235 | 250 | 3000 | 400 | 4.35 | 134.6 | U0 | 1/16-12UNF | 7/8-14UNF |
| 25 | 200 | 215 | 230 | 3000 | 400 | 4.5 | 139.6 | U0 | 1/16-12UNF | 7/8-14UNF |
| 28 | 180 | 190 | 200 | 2500 | 400 | 4.65 | 144.6 | U0 | 1/16-12UNF | 7/8-14UNF |
| 30 | 160 | 170 | 180 | 2500 | 400 | 4.75 | 147.9 | U0 | 1/16-12UNF | 7/8-14UNF |
Solicite información
| Desplazamiento | Presión máx. | Velocidad máx. | Velocidad min. | Peso | Dimensions | Código del puerto de aceite | Entrada |
| P1 | P2 | P3 | M | L | D |
| (cm³/rev.) | bar | bar | bar | (r/min) | (r/min) | Kg | mm | mm | | mm |
| 3 | 100.18 | 2..30 | 4000 | 800 | 4.1 | 113.1 | 43.6 | 93.6 | W4 | 1/16-12UNF |
| 4 | 4000 | 600 | 4.15 | 114.7 | 44.4 | 95.2 | W4 | 1/16-12UNF |
| 6 | 4000 | 600 | 4.25 | 118 | 46 | 98.5 | W4 | 1/16-12UNF |
| 8 | 3500 | 500 | 4.35 | 121.3 | 47.7 | 101.8 | U4 | 1/16-12UNF |
| 10 | 3500 | 500 | 4.45 | 124.6 | 49.3 | 105.1 | W4 | 1/16-12UNF |
| 12 | 3500 | 500 | 4.55 | 127.9 | 51 | 108.4 | W4 | 1/16-12UNF |
| 14 | 3500 | 500 | 4.65 | 131.3 | 52.7 | 111.8 | W4 | 11/16-12UNF |
| 16 | 3500 | 500 | 4.75 | 134.7 | 54.4 | 115.2 | W4 | 1/16-12UNF |
| 18 | 3200 | 400 | 4.35 | 138 | 56 | 118.5 | W4 | 1/16-12UNF |
| 20 | 3200 | 400 | 4.45 | 141.3 | 57.7 | 121.8 | W4 | 1/16-12UNF |
| 22 | 3000 | 400 | 4.55 | 144.6 | 59.3 | 125.1 | W4 | 1/16-12UNF |
| 25 | 3000 | 400 | 4.7 | 149.6 | 61.8 | 130.1 | UJ4 | 1/16-12UNF |
| 28 | 2500 | 400 | 4.85 | 154.6 | 64.3 | 135.1 | UJ4 | 1/16-12UNF |
| 30 | 2500 | 400 | 5.05 | 157.9 | 66 | 138.4 | W5 | 5/16-12UNF |
Solicite información
| Desplazamiento | Presión máx. | Velocidad máx. | Velocidad min. | Peso | Dimensions | Código del puerto de aceite | Entrada |
| P1 | P2 | P3 | M | L | D |
| (cm³/rev.) | bar | bar | bar | (r/min) | (r/min) | Kg | mm | mm | | mm |
| 3 | 270 | 285 | 300 | 4000 | 800 | 3.35 | 91.1 | 43.6 | L0 | G1/2 |
| 4 | 270 | 285 | 300 | 4000 | 600 | 3.4 | 92.7 | 44.4 | L0 | G1/2 |
| 6 | 270 | 285 | 300 | 4000 | 600 | 3.5 | 96 | 46 | L0 | G1/2 |
| 8 | 270 | 285 | 300 | 3500 | 500 | 3.6 | 99.3 | 47.7 | L1 | G3/4 |
| 10 | 270 | 285 | 300 | 3500 | 500 | 3.7 | 102.6 | 49.3 | L1 | G3/4 |
| 12 | 270 | 285 | 300 | 3500 | 500 | 3.8 | 105.9 | 51 | L1 | G3/4 |
| 14 | 250 | 265 | 280 | 3500 | 500 | 3.9 | 109.3 | 52.7 | L1 | G3/4 |
| 16 | 250 | 265 | 280 | 3500 | 500 | 4 | 112.7 | 54.4 | L1 | G3/4 |
| 18 | 250 | 265 | 280 | 3200 | 400 | 4.1 | 116 | 56 | L1 | G3/4 |
| 20 | 220 | 235 | 250 | 3200 | 400 | 4.2 | 119.3 | 57.7 | L1 | G3/4 |
| 22 | 220 | 235 | 250 | 3000 | 400 | 4.3 | 122.6 | 59.3 | L1 | G3/4 |
| 25 | 200 | 215 | 230 | 3000 | 400 | 4.45 | 127.6 | 61.8 | L1 | G3/4 |
| 28 | 180 | 190 | 200 | 2500 | 400 | 4.6 | 132.6 | 64.3 | L1 | G3/4 |
| 30 | 160 | 170 | 180 | 2500 | 400 | 4.7 | 135.9 | 66 | L1 | G3/4 |
Solicite información
| Desplazamiento | Presión máx. | Velocidad máx. | Velocidad min. | Peso | Dimensions | Código del puerto de aceite | Entrada |
| P1 | P2 | P3 | M | L | B | D | H |
| (cm³/rev.) | bar | bar | bar | (r/min) | (r/min) | Kg | mm | mm | | mm | mm | |
| 3 | 270 | 285 | 300 | 4000 | 800 | 3.35 | 123.1 | 75.6 | F13 | 40 | 20 | M6 |
| 4 | 270 | 285 | 300 | 4000 | 600 | 3.4 | 124.7 | 76.4 | F13 | 40 | 20 | M6 |
| 6 | 270 | 285 | 300 | 4000 | 600 | 3.5 | 128 | 78 | F13 | 40 | 20 | M6 |
| 8 | 270 | 285 | 300 | 3500 | 500 | 3.6 | 131.3 | 79.7 | F13 | 40 | 20 | M6 |
| 10 | 270 | 285 | 300 | 3500 | 500 | 3.7 | 134.6 | 81.3 | F13 | 40 | 20 | M6 |
| 12 | 270 | 285 | 300 | 3500 | 500 | 3.8 | 137.9 | 83 | F13 | 40 | 20 | M6 |
| 14 | 250 | 265 | 280 | 3500 | 500 | 3.9 | 141.3 | 84.7 | F13 | 40 | 20 | M6 |
| 16 | 250 | 265 | 280 | 3500 | 500 | 4 | 144.7 | 86.4 | F13 | 40 | 20 | M6 |
| 18 | 250 | 265 | 280 | 3200 | 400 | 4.1 | 148 | 88 | F13 | 40 | 20 | M6 |
| 20 | 220 | 235 | 250 | 3200 | 400 | 4.2 | 151.3 | 89.7 | F13 | 40 | 20 | M6 |
| 22 | 220 | 235 | 250 | 3000 | 400 | 4.3 | 154.6 | 91.3 | F13 | 40 | 20 | M6 |
| 25 | 200 | 215 | 230 | 3000 | 400 | 4.45 | 159.6 | 93.8 | F13 | 40 | 20 | M6 |
| 28 | 180 | 190 | 200 | 2500 | 400 | 4.6 | 164.6 | 96.3 | F13 | 40 | 20 | M6 |
| 30 | 160 | 170 | 180 | 2500 | 400 | 4.7 | 167.9 | 98 | F13 | 40 | 20 | M6 |